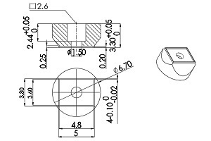
圓徑1.1
VT0-007-NE80B
07-VT0-007
S系列
單層
地址:昆山市前进东路东创科技中心1号楼4楼A53公位 电话::15995676504 E-mail:info@padesd.com
妙徳真空吸盤
SMC真空吸盤
PISCO真空吸盤
PIAB真空吸盤
S系列真空吸盤
海棉吸盤
吸盤中空螺絲配件
彈簧緩衝金具